Акционная цена
Диференційний автоматичний вимикач KZS-AFDD 3M2p C 32/0,03 тип A (10kA, з захистом від дугового замикання)
Цена
11199.60 грн
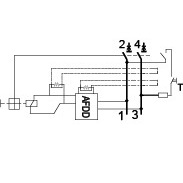
Пристрій виявлення дугового замикання
- Арт.:2173877
- Производитель:ETI
Действующие акции
Технические характеристики
- Назва класу: Пристрій виявлення дугового замикання
- Номінальний залишковий струм (А): 0,03
- Поточний тип: А
- Номінальний залишковий робочий струм IΔn (A): 0,03
- Номінальний струм (А): 32
- Характеристика відключення: C
- Кількість полюсів: 2
- Потужність короткого замикання (кА): 10
- Номінальна частота (Hz): 50
- Номінальна напруга (V): 240
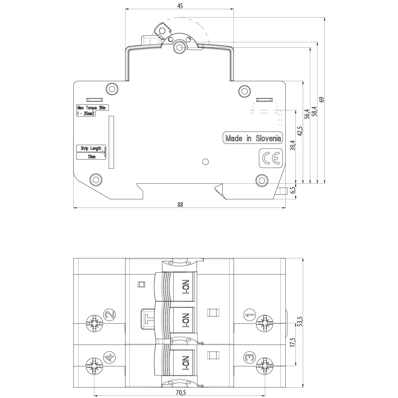
- Номінальний перетин:1...25
- Стандарт:IEC/EN 61009-1, IEC/EN 62606





