Акционная цена
Лоток RKSM (0,75мм) перф., 60х100х3050, FS (18-22 мкм)
Цена
247.89 грн
Кратність замовлення - 3 м.п.; Вказана вартість - за1 м.п.;
- Арт.:6047611
- Производитель:OBO Bettermann
Действующие акции
Технические характеристики
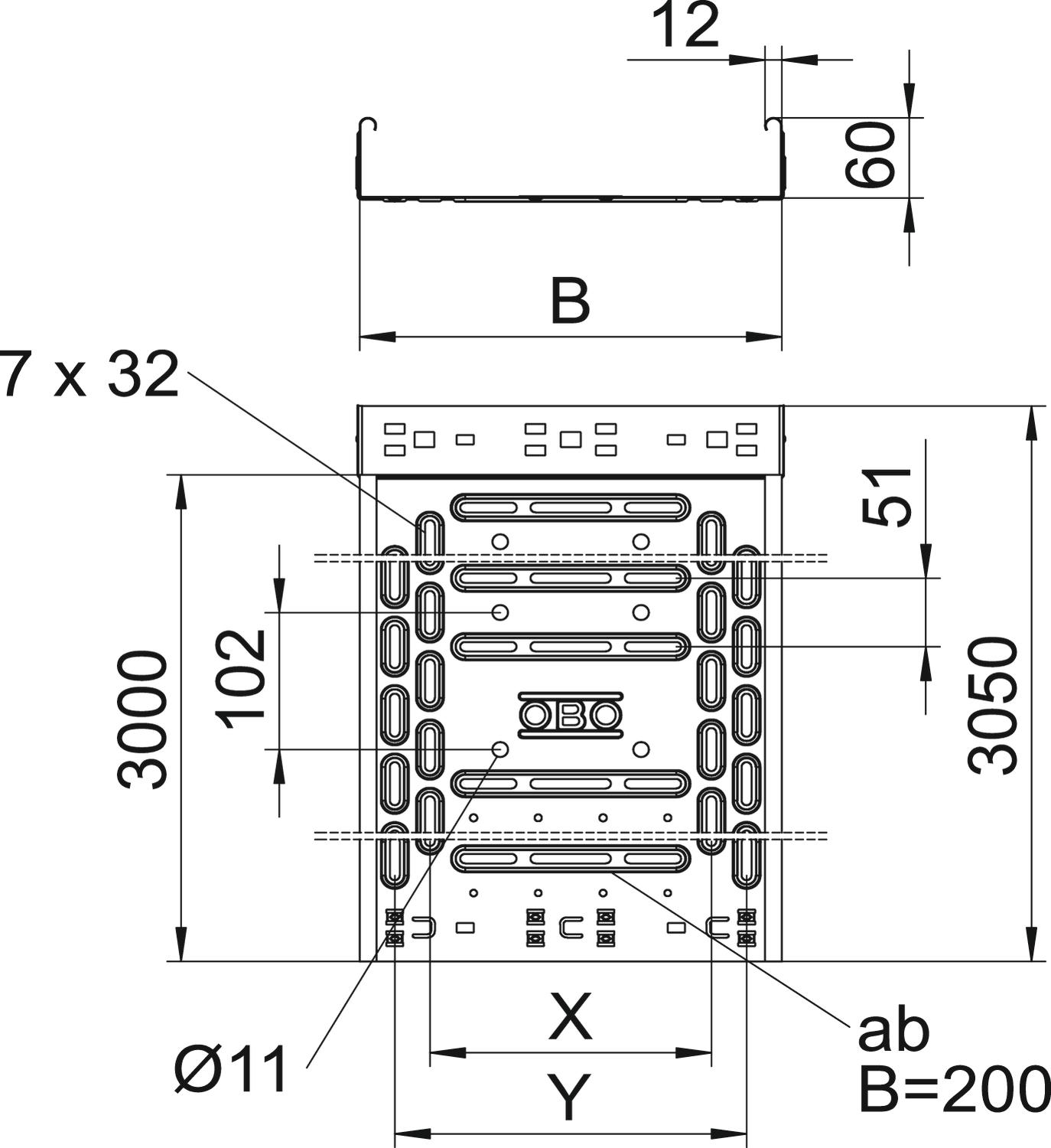
Кабельний лоток із вбудованою системою швидкого кріплення. Корисна довжина кабельного лотка становить 3000 мм.
Лоток має суцільні бокові отвори 7 x 20 мм для встановлення додаткових з’єднувальних і монтажних компонентів.
- Довжина - 3000 мм
- Ширина - 100 мм
- Товщина профілю - 0,75 мм
- Матеріал - Сталь з оцинкованим покриттям
Cмотрите также




